(KTR ROTEX-GS 微型无齿隙弹性联轴器,ROTEX-GS 微型联轴器)
ROTEX® GS联轴器由三个部件组成,可方便地轴向安装。在预应力作用下保证了无齿隙的传动。同时其良好的刚性与优化的减振性能的完美组合,极大地改善了传动系统的动态特性。该结构型式使得安装极为方便,可节省安装时间。
直齿型弹性体在预应力下安装,使得弹性体表面承受一定的预压力,从而使联轴器系统的刚性更好。弹性荫可补偿安装偏差,在径向上由内置腹板支撑,从而避免了高速或加速旋转时产生过大的内部变形。以上特点保证了联轴器的长期平稳运行。
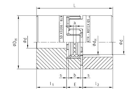
轴套的爪荫和弹性体的爪齿均有倒角,装配时便于“盲装”。弹性体荫侧上的小凸柱是为了减小弹性体荫侧与轴套的接触面积。安装时确保轴套间距尺寸E,就可确保联轴器的纠偏能力。轴套对插装配时的插入力大小取决于弹性体的硬度和受预压力大小。(参见安装说明书KTR-N45510)
右图所示的间隙"S"确保了联轴器的电绝缘性, 同时使用寿命更长。这一特点对于编码器的高精度要求以及电磁相容性要求非常重要。
ROTEX® GS有四种以颜色区分的不同硬度的弹性体,材质由软到硬。因此可根据扭转刚度、减振筹性能很容易选择,以适应于不同场合。

防爆性能:

ROTEX® GS联轴器非常适合应用在有防爆要求的场合。这种联轴器已根据欧洲安全标准94/9/EC (ATEX 95)申请了防爆证书,防爆种类为2G,能在危险区域为1和2的传动中使用。相关资料请参阅KTR网站www.ktr.com中的防爆证书,操作和安装说明书。
选型:如果胀紧套轴套使用在有防爆要求的场合(不带键槽的胀紧套轴套只适合防爆种类3),安全系数必须大于2(需校核峰值力矩,额定力矩和轴套的摩擦力矩)。

